航空学报 > 2025, Vol. 46 Issue (24): 632256-632256   doi: 10.7527/S1000-6893.2025.32256

第二届空天前沿大会优秀论文专栏

数字孪生驱动的飞机起降系统可靠域分析

张钰倩1, 李永歌1,2(), 刘小川3, 许勇1,2   

  1. 1.西北工业大学 数学与统计学院,西安 710072
    2.西北工业大学 空天领域复杂性科学教育部重点实验室,西安 710072
    3.中国飞机强度研究所 强度与结构完整性全国重点实验室,西安 710065
  • 收稿日期:2025-05-19 修回日期:2025-06-10 接受日期:2025-07-01 出版日期:2025-07-21 发布日期:2025-07-15
  • 通讯作者: 李永歌 E-mail:liyonge@nwpu.edu.cn
  • 基金资助:
    国家自然科学基金(52225211);航空科学基金(20230041053005);西北工业大学“1-0”重大工程科学问题项目(G2024KY0613)

Digital-twin-driven reliability domain analysis for aircraft landing gear systems

Yuqian ZHANG1, Yongge LI1,2(), Xiaochuan LIU3, Yong XU1,2   

  1. 1.School of Mathematics and Statistics,Northwestern Polytechnical University,Xi’an 710072,China
    2.MOE Key Laboratory for Complexity Science in Aerospace,Northwestern Polytechnical University,Xi’an 710072,China
    3.National Key Laboratory of Strength and Structural Integrity,Aircraft Strength Research Institute of China,Xi’an 710065,China
  • Received:2025-05-19 Revised:2025-06-10 Accepted:2025-07-01 Online:2025-07-21 Published:2025-07-15
  • Contact: Yongge LI E-mail:liyonge@nwpu.edu.cn
  • Supported by:
    National Natural Science Foundation of China(52225211);Aeronautical Science Foundation of China(20230041053005);Northwestern Polytechnical University“1-0” Major Engineering Science Problem Project(G2024KY0613)

摘要:

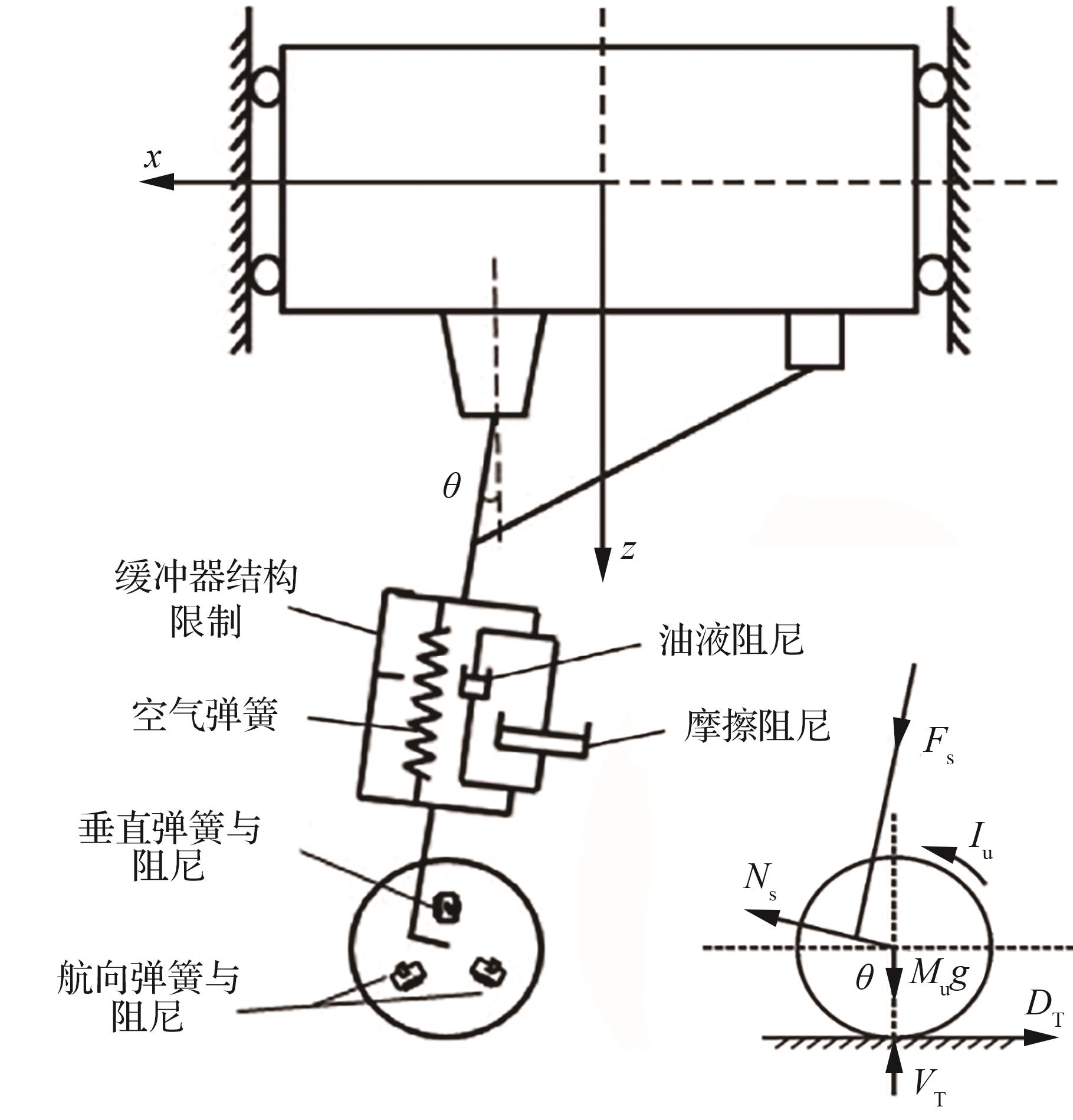
针对由高低温等复杂工况导致的飞机起降系统失效问题,提出了一种基于数字孪生的起降系统可靠域分析方法,实现参数的全局优化和可靠域的动态确定。首先,建立了具有5个层级的数字孪生框架,阐述了各层级功能。其次,结合长鼻浣熊算法(COA)的高效率、强平衡性以及无需设置控制参数的优势,优化了支持向量机(SVM),并建立了COA-SVM数字孪生模型,实现了系统效率、行程和过载3个性能指标功能函数的映射。然后,提出了基于群体交互的长鼻浣熊算法,用于求解由高低温、多失效模式张成高维参数空间产生的优化问题,进而确定起降系统在低温环境下的可靠域。最后,以考虑温度效应的起降系统落震为例进行验证,建立的数字孪生模型能够准确反映物理模型,并发现低温环境下起降系统的失效概率较大。基于数字孪生技术开展可靠域分析,为飞机起降系统的优化设计提供了新的策略和技术路径。

关键词: 飞机起降系统, 数字孪生, 多失效模式, 低温环境, 灵敏度分析, 可靠域

Abstract:

Aimed at the failure issues of aircraft landing gear systems caused by complex operating conditions such as high and low temperatures, this study proposes a reliability domain analysis method based on digital twin technology to achieve global parameter optimization and dynamic determination of reliability domain. First, a five-level digital twin framework is established, with the functionalities of each layer elaborated. Second, leveraging the high efficiency, robust balancing capability, and absence of control parameter requirements of the Coati Optimization Algorithm (COA), an optimized Support Vector Machine (SVM) is developed, and a COA-SVM digital twin model is constructed. This model establishes functional mappings for three performance indicators: system efficiency, stroke, and overload. Subsequently, a population-interaction-enhanced COA is proposed to address the optimization challenges arising from high-dimensional parameter spaces formed by multi-failure modes under extreme temperatures, thereby determining the reliability domain of aircraft landing gear systems in low-temperature environments. Finally, a landing gear drop test incorporating temperature effects is conducted for validation. The established digital twin model accurately reflects the physical system and reveals that the failure probability of aircraft landing gear systems increases under low-temperature conditions. The proposed digital-twin-driven reliability analysis provides novel strategies and technical pathways for the optimal design of aircraft landing gear systems.

Key words: aircraft landing gear systems, digital twin, multimodal failure, low-temperature environments, sensitivity analysis, reliability domain

中图分类号: