1 双凸极发电机结构原理与特性
1.1 结构与工作原理
1.2 电磁特性
表1 电机结构参数Table 1 Basic parameters of DSEM |
| 参数 | 数值 |
|---|---|
| 定子外径/mm | 212 |
| 转子外径/mm | 149.4 |
| 气隙长度/mm | 0.3 |
| 额定转速/(r·min-1) | 10 000 |
| 铁心长度/mm | 75 |
| 每极电枢绕组匝数 | 11 |
| 励磁绕组匝数 | 22×4 |
| 定转子铁心叠压系数 | 0.95 |
1.3 损耗特性
图 4 不同输出功率下发电机损耗分布(n=10 000 r/min, U O=270 V)Fig.4 Distribution of generator losses at different output power levels (n=10 000 r/min, U O=270 V) |
表2 不同输出功率下发电机损耗(n=10 000 r/min, U O=270 V)Table 2 Generator losses at different output power levels (n=10 000 r/min, U O=270 V) |
| 参数 | P O=15 kW | P O=30 kW | P O=45 kW |
|---|---|---|---|
| 定子铁损/kW | 0.45 | 0.46 | 0.49 |
| 转子铁损/kW | 0.33 | 0.36 | 0.41 |
| 电枢绕组铜损/kW | 0.14 | 0.47 | 1.41 |
| 励磁绕组铜损/kW | 0.11 | 0.28 | 0.61 |
| 总损耗/kW | 1.06 | 1.65 | 2.92 |
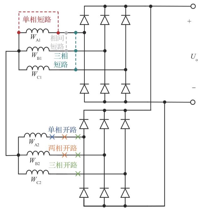
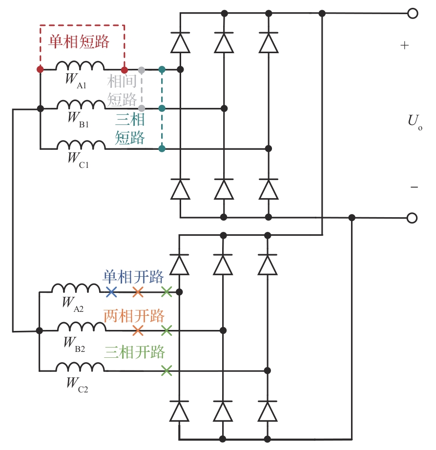
2 绕组故障下的工作特性
2.1 绕组故障类型
2.2 电磁特性
表3 不同故障下电枢绕组电流变化情况(n=10 000 r/min, I f=38 A,U O=270 V)Table 3 Change of armature winding current under different faults (n=10 000 r/min, I f=38 A,U O=270 V) |
| 故障类型 | A相电流/A | B相电流/A | C相电流/A | |||
|---|---|---|---|---|---|---|
| I A1 | I A2 | I B1 | I B2 | I C1 | I C2 | |
| 单相短路 | 85 | 44 | 42 | 33 | 19 | 45 |
| 相间短路 | 63 | 51 | 60 | 40 | 47 | 22 |
| 三相短路 | 82 | 31 | 77 | 29 | 79 | 28 |
| 单相开路 | 0 | 74 | 55 | 27 | 33 | 47 |
| 两相开路 | 0 | 66 | 0 | 55 | 48 | 29 |
| 三相开路 | 0 | 60 | 0 | 53 | 0 | 55 |
2.3 损耗特性
3 温升限制下的功率输出能力
3.1 油冷电机热建模
3.2 温升特性
图 15 绕组三相短路故障时的温度(n=10 000 r/min, I f =38 A, U O=270 V)Fig.15 Winding temperature of three-phase short-circuit fault (n=10 000 r/min, I f =38 A, U O=270 V) |
表5 不同故障下的电枢绕组最高温度(n=10 000 r/min, I f =38 A, U O=270 V)Table 5 Maximum temperature of armature winding under different faults(n=10 000 r/min, I f =38 A, U O=270 V) |
| 故障类型 | 电枢绕组最高 温度/℃ | 相绕组最大电流 密度/(A·mm-2) |
|---|---|---|
| 单相短路 | 215 | 26.6 |
| 相间短路 | 174 | 19.6 |
| 三相短路 | 217 | 25.6 |
| 单相开路 | 183 | 23.1 |
| 两相开路 | 162 | 20.6 |
| 三相开路 | 159 | 18.8 |
3.3 温升限制下的功率特性
表6 电机在热限制下对不同故障的容错输出功率(n=10 000 r/min, U O=270 V)Table 6 Fault-tolerant output power of DSEM under thermal limitation for different faults(n=10 000 r/min, U O=270 V) |
| 故障类型 | 热限制下容错输出最大 功率/kW | 最大电流密度/ (A·mm-2) |
|---|---|---|
| 单相短路 | 20(I f =38.5 A) | 26.6 |
| 相间短路 | 23.9(I f =45 A) | 24.7 |
| 三相短路 | 11.9(I f =38.2 A) | 26.9 |
| 单相开路 | 30(I f =42 A) | 26.2 |
| 两相开路 | 27(I f =43 A) | 25.9 |
| 三相开路 | 23(I f =47 A) | 23.6 |
4 实验验证
图 20 A1相开路故障时非故障绕组三相电流(n=6 000 r/min, P O=5.4 kW, U O=100 V)Fig.20 Three-phase current of non-fault winding under A1 phase open-circuit fault (n=6 000 r/min, P O=5.4 kW, U O=100 V) |

